進口德標法蘭球閥用于 Class150~Class1500、PN16~PN63、JIS10K~JIS20K 的各種管路上,用于截斷或接通管路中的介質,選用不同的材質,可分別適用于水、蒸汽、油品、液化氣、天然氣、煤氣、硝酸、醋酸、氧化性介質、尿素等多種介質。
進口德標法蘭球閥產品特點
1、在各種閥門中,球閥的流動阻力最小,全徑球閥打開時,球體通道、閥體通道和連接管徑相等并成一直徑,介質幾乎可以毫無損失的流過
2、球閥旋轉90°即可全關全開,啟閉迅速。與相同規格的閘閥、截止閥比較、球閥體積小、重量輕,便于管道安裝
聲明:本文中所有文字、數據、圖片均只適用于參考,Q41F 型 PN16~PN40 浮動軟密封球閥性能參數、結構尺寸參數
進口德標法蘭球閥設計標準:
設計標準Design: DIN 3357 EN 12516-1
壁厚標準Wall Thickness: ASME B16.34 EN 12516-1
防火標準Fire Safe: API 307 ISO 10497
結構長度Face to Face: DIN 3202
法蘭標準End Flange: DIN EN 1092-1
檢測標準/Inspection & Testing: DIN 3230 EN 12266
進口德標球閥材料表
|
零件名稱PART NAME |
材質MATERIAL |
|
閥體BODY |
SS304/SS316 |
|
球體 BALL |
SS304/SS316 |
|
螺母GLAND NUT |
SS304/SS316 |
|
螺栓BOLT |
SS304/3SS16 |
|
密封線JOINT GASKET |
PTFE |
|
密封圈JOINT RING |
PTFE |
|
止推墊STOP RING |
PTFE |
|
閥桿STEM |
SS304/SS316 |
|
填料STEM PACKING |
PTFE |
|
定位片STOP |
304/SS316 |
|
鎖片 LOCKPAD |
SS304 |
|
壓蓋GLAND |
CF8/CF8M |
|
卡簧SNAP RING |
3SS04/SS316 |
|
手柄HANDLE |
CF8/CF8M |
|
壓蓋螺栓GLAND BOLT |
SS304/SS316 |

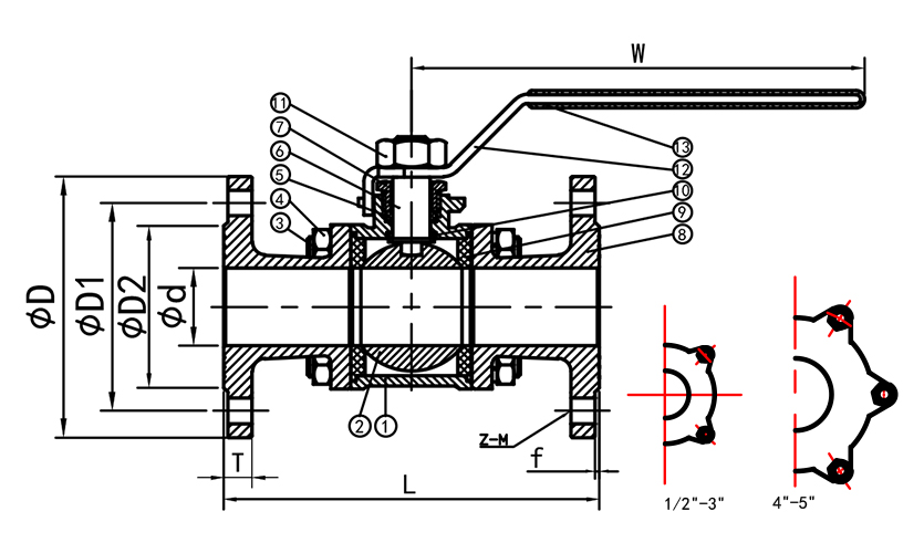
NO.
零件名稱
材質
數量
1
閥體
CF8M/CF8
1
2
球 體
SS316/SS304
1
3
螺 栓
S201/S304
4~6
4
螺 母
S201/S304
6~12
5
填 料
PTFE/RPTFE
1
6
閥 桿
SS316/SS304
1
7
壓 蓋
S201/S304
1
8
閥 蓋
CF8M/CF8
2
9
閥 座
PTFE/RPTFE
2
10
止推墊圈
PTFE/RPTFE
1
11
螺 母
S201/S304
1
12
手 柄
S201/S304
1
13
手柄套
PVC
1
14
鎖
S201/S304
1
主要尺寸
|
DN |
d |
D |
D1 |
D2 |
T |
F |
L±1.5 |
W |
Z-M |
KG |
|
15 |
15 |
95 |
65 |
45 |
16 |
2 |
130 |
129 |
M14×4 |
1.985 |
|
20 |
20 |
105 |
75 |
58 |
18 |
2 |
150 |
132 |
M14×4 |
2.71 |
|
25 |
25 |
115 |
85 |
68 |
18 |
2 |
160 |
160 |
M14×4 |
3.43 |
|
32 |
32 |
140 |
100 |
78 |
18 |
2 |
180 |
160 |
M18×4 |
5.095 |
|
40 |
38 |
150 |
110 |
88 |
18 |
3 |
200 |
185 |
M18×4 |
6.105 |
|
50 |
49 |
165 |
125 |
102 |
20 |
3 |
230 |
185 |
M18×4 |
8.07 |
|
65 |
64 |
185 |
145 |
122 |
22 |
3 |
290 |
220 |
M18×8 |
12.445 |
|
80 |
80 |
200 |
160 |
138 |
24 |
3 |
310 |
220 |
M18×8 |
16.665 |
|
100 |
100 |
235 |
190 |
162 |
24 |
3 |
350 |
298 |
M22×8 |
25.675 |