丁香花电影高清在线小说阅读-丁香花影院免费观看电视剧哈尔-丁香花影院在线观看免费播放电视剧-丁香花在线高清视频完整版观看

您當前位置:產品中心 >> 進口球閥 >> 進口KHBF高壓球閥
進口KHBF高壓球閥
產品概述
進口KHBF高壓球閥是一款法蘭連接式工業閥門,采用碳鋼、不銹鋼等材質制造,通過90°旋轉球體實現介質截斷與流量控制14。其公稱壓力覆蓋PN31.5~PN50MPa(最高定制至315bar),適配溫度范圍-25℃~+170℃,專門用于液壓油、水-乙二醇混合液、弱腐蝕性化工介質等場景14。閥體采用精密鑄造工藝,內部流道全通徑設計,壓降<0.01MPa(流速10m/s時),有效降低管道系統能耗
產品詳情

進口KHBF高壓球閥專為高壓工況設計,適用于石油化工、能源輸送、液壓系統等領域,通過球體90°旋轉實現介質快速啟閉或流量調節。其核心功能包括全通徑流通、雙向密封及高壓穩定性,適配液壓油、天然氣、腐蝕性流體等介質。

‌進口KHBF高壓球閥產品特點‌

閥體采用厚壁鍛鋼或不銹鋼材質,抗壓強度達64MPa,適用于極端高壓環境

球體與閥座間彈簧預緊設計,確保高壓差下零泄漏(符合ANSI Class VI標準)

進口KHBF高壓球閥‌多樣化密封結構‌

軟密封(PTFE/PEEK)適配≤200℃非磨損介質,金屬密封(司太立合金)耐溫550℃且抗顆粒沖刷

靈活操作方式‌

支持手動、電動、氣動驅動,電動執行器響應時間≤5秒,支持遠程控制與智能反饋

耐腐蝕與長壽命‌

閥體可選316L不銹鋼、雙相鋼等材質,適用于強腐蝕性介質(如HS、酸性油氣) 

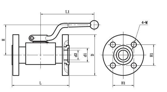
進口KHBF高壓球閥外形尺寸



下一個產品:進口不銹鋼高溫球閥
上一個產品:進口碳鋼球閥


020-32399500
qrCode